网站首页
关于我们
公司简介
资质证书
产品中心
W1框架
塑壳断路器
漏电断路器
小型断路器
双电源自动转换开关
浪涌保护器
自复式过欠压
控制与保护开关
按钮系列
指示灯系列
灯珠系列
隔离开关
塑料外壳式断路器
新闻资讯
公司新闻
行业动态
产品应用
资料下载
联系我们
首页
关于我们
公司简介
资质证书
产品中心
W1框架
塑壳断路器
漏电断路器
小型断路器
双电源自动转换开关
浪涌保护器
自复式过欠压
控制与保护开关
按钮系列
指示灯系列
灯珠系列
隔离开关
塑料外壳式断路器
新闻资讯
公司新闻
行业动态
产品应用
资料下载
联系我们
产品中心
PRODUCT
产品中心
首页
-
产品中心
-
双电源自动转换开关
-
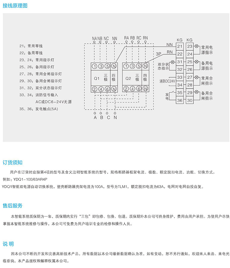
YDQ1系列双电源自动转换开关
YDQ1系列双电源自动转换开关
如果您有任何问题可以联系我们!
联系我们
电话:400-138-1315
扫一扫,加我为朋友
详细信息
详细信息
YDQ2-63-M 迷你型系列双电源自动转换开关(CB 级)
YDQ2 智能型系列双电源自动转换开关 (CB 级)
返回
相关产品
YDQ5系列双电源自动转换开关
YDQ2-63-M 迷你型系列双电源自动转换开关(CB 级)
YDQ1系列双电源自动转换开关
YDQ2 智能型系列双电源自动转换开关 (CB 级)
YDT1系列双电源自动转换开关
YDQ1系列双电源自动转换开关(PC 级)
联系我们
金山工业区
400-138-1315
首页
/
关于我们
/
产品中心
/
新闻资讯
/
产品应用
/
资料下载
/
联系我们
© 羽鼎电气有限公司
沪ICP备18021259号-1
XML
网站地图
网站制作维护:
秦汉网络
微信
咨询
扫一扫,加我为朋友
服务
热线
400-138-1315
服务热线